조선소 선박 건조 구조물 및 고층 건물 공사용으로 발달하여 조선소의 선대와 안벽 등에 설치하고 초고층 빌딩이나 아파트 건설현장에서 많이 사용됩니다.
플랜트 공사에서는 벌크(bulk)작업과 스풀 홀딩(spool holding)등에 많이 쓰입니다.
| 교육과목 | 학과교육 | 실기교육 | 비고 |
|---|---|---|---|
| 타워크레인 | 매주 토,일요일 특강 : 13:00 ~ 15:00 | 연중 무휴가동 06:00 ~ 24:00 | 타워크레인 2대 보유 |
실기실습은 개인적으로 이론을 합격하시고 실기시험 대비반으로 시간당 과정과 정규입학과정이 있습니다.
정규입학과정
실기입학과정으로 본 학원 입학 후 타워크레인 자격증을 취득할 수 있도록 충분한 실기 실습을 하는 과정입니다.
100% 예약제로 실기교육이 이루어 지고 있습니다.
이론, 실기 동시에 교육을 받고자 하셔도 수강료는 동일함
시간제 연습
타워크레인 경험이 많고 능숙한 분들을 위한 과정이며 1시간 이상 시간제로 실기실습 마무리 하는 과정입니다.
| 시험과목 | 출제문제수 | 주요항목 | 세부항목 | 세세항목 |
|---|---|---|---|---|
| 타워크레인 구조 및 기능일반 | 60 | 1. 구조 | 1. 타워 크레인의 구조 | 1. 타워크레인의 주요 구조부 2. 기초앵커 설치에 관한 사항 |
| 2. 기능일반 | 1. 타워크레인의 기본원리 | 1. 기계 일반, 기초이론에 관한 사항 2. 타워크레인 운전에 필요한 역학 |
||
| 2. 타워크레인의 주요기능 | 1. 권상 2. 횡행 3. 선회 4. 기복 5. 주행 |
|||
| 3. 전기일반 | 1. 전기이론과 용어 | 1. 전기일반 2. 전기기계기구의 외향구조 3. 접기 |
||
| 2. 타워크레인의 주요기능 | 1. 괴전류 차단기 2. 배선용 차단기 |
|||
| 4. 방호장치 | 전기이론과 용어 | 1. 타워크레인의 방호장치 종류 2. 타워크레인의 방호장치 원리 3. 타워크레인의 방호장치 점검사항 |
||
| 5. 유압이론 | 타워크레인의 유압장치 | 1. 유압의 기초 2. 유압펌프의 기초 3. 텔레스코핑 유압장치 |
||
| 6. 양중작업 | 1. 타워크레인의 양중작업 | 1. 타워크레인의 양중작업 종류 2. 타워크레인의 양중작업 보조용구 |
||
| 2. 줄걸이 작업 | 1. 타워크레인에 사용하는 와이어로프의 안정율 2. 줄걸이 작업요령 |
|||
| 7. 타워크레인 운전 | 1. 타워크레인의 운전개요 | 1. 타워크레인의 운전자격 2. 타워크레인의 운전자 의무 |
||
| 2. 타워크레인의 운전요령 | 1. 훅 상승 하강 작업 2. 트롤리 전후작업 3. 지브의 선회 및 기복작업 4. 주행작업 |
|||
| 8. 신호 | 1. 신호기준 | 1. 타워크레인의 신호기준 | ||
| 2. 신호방법 | 1. 육성신호 2. 수신호 3. 기타신호(무적신호 등) |
|||
| 타워크레인 설치ㆍ해체 일반 | 9. 설치ㆍ해제 작업시 운전 | 1. 설치작업 | 1. 설치작업 시 운전방법 2. 설치작업 시 운전준수사항 |
|
| 2. 해체작업 | 1. 해제작업 시 운전방법 2. 해체작업 시 운전준수사항 |
|||
| 10. 안전 관리 및 관련법규 | 1.안전관리 | 1. 산업안전일반 2. 작업상의 안전 3. 기계ㆍ기기 및 공구에 관한 안전 4. 전기작업에 관한 안전 5. 기타 작업에 관한 안전 |
||
| 2. 관련법규 | 1. 산업안전보건법령 |
| 주요항목 | 세부항목 | 세세항목 |
|---|---|---|
| 1. 타워크레인 운전 | 1. 권상작업 | 1. 초기 권상작업 방법 2. 권상작업 상태 3. 권상작업 중 정지작업 |
| 2. 타워크레인의 주요기능 | 1. 선회 및 정지작업 2. 횡행 및 정지작업 3. 기복 및 정지작업 |
|
| 3. 지상착지 작업 | 1. 지상착지 방법 2. 지상착지 상태 |
|
| 4. 점검 | 1. 운전 전 점검 2. 운전 후 점검 |
|
| 2. 신호법 | 1. 수신호 | 1. 수신호 방법 이해정도 |
| 2. 타워크레인의 주요기능 | 1. 상황에 따른 기타 신호방법 |
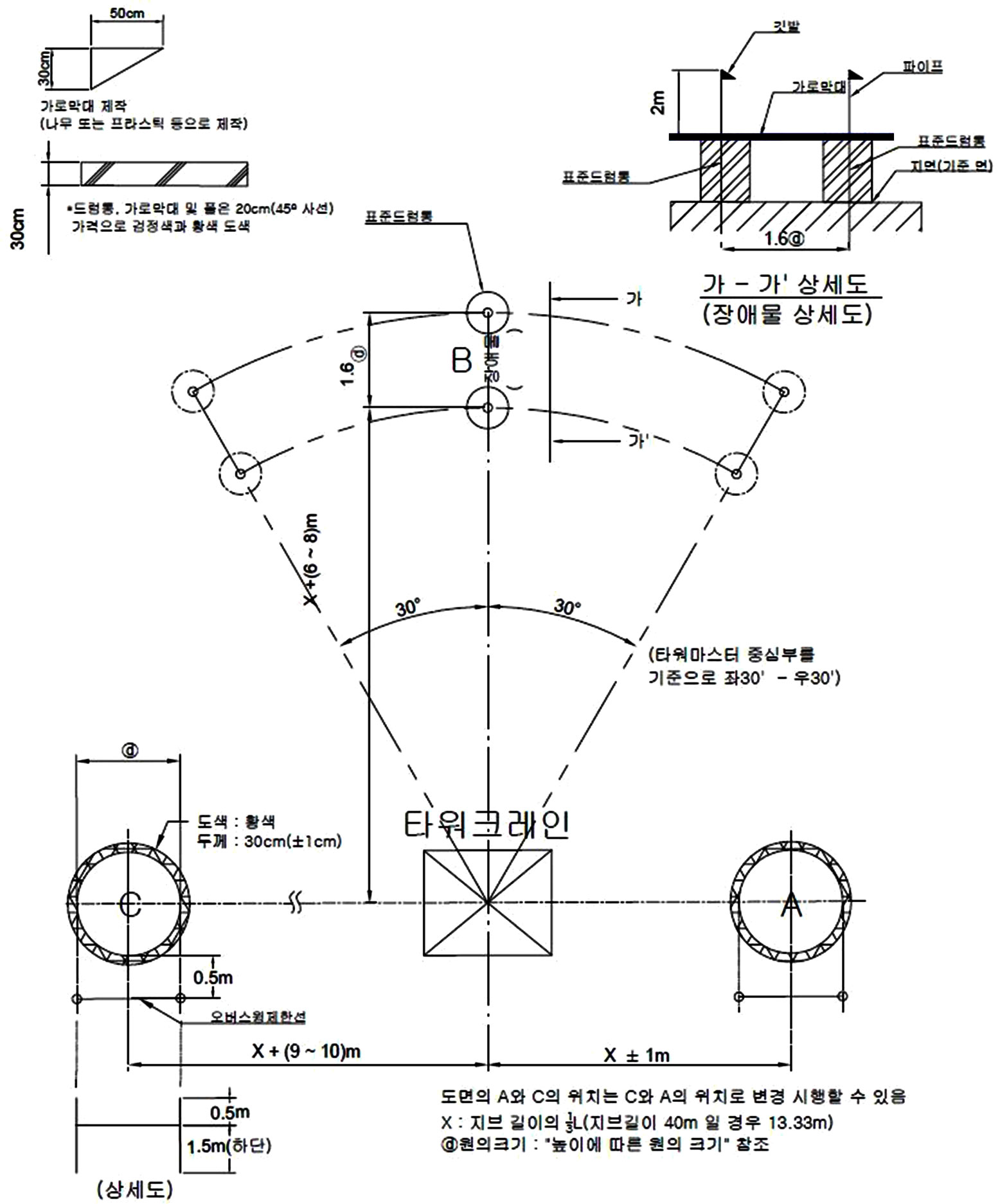
가. 작업내용
신호수의 신호에 따라 도면 A지점의 중량물을 권상하여, B 장애물의 깃발 사이를 통과한 후, C지점의 원 안에 권하하여 중량물을 내려놓고, 다시 권상하여 B 장애물의 깃발 사이를 통과하여 A지점의 원안에 내려놓으시오
권상 : 지면에서 약 30.cm를 권상하여 일단 정지하고 이상 유무를 확인 한 후 계속 작업하도록 합니다.
권하 : 줄걸이 로프가 장력을 유지한 상태에서 원 안에 내려 놓는다.
나. 작업조건
도면의 B(장애물)는 항상 타워 마스터 중심부의 길이 방향(X + 6~8cm)과 좌 30°, 우 30° 범위 내에서 수시로 이동시켜 반복 작업이 이루어지지 않도록 합니다.
(1부, 4부 등 수험자 교체 시는 B(장애물)를 반드시 이동하여 설치하도록 합니다)
다. 작업시간 환산
[시간 적용방법]
1) 탑승 및 하강시간 : m당 12초를 가산 적용
2) 작업시간 : 지브길이 40cm를 기준으로 5분이며, 추가 2m당 10초를 가산 적용
탑승 및 하강시간 산출방법
